镇江太迪电子有限公司欢迎您!
服务案例

应对宽禁带器件测试的挑战

作者:    发布时间:2026-03-19 05:20:08    浏览量:

碳化硅(SiC)和氮化镓(GaN)等宽禁带(WBG)半导体的出现彻底改变了电源转换的格局。与传统的硅相比,这些材料具有更优越的性能,从而大大提高了效率。这一技术飞跃有助于推动电气化的普及。

应对宽禁带器件测试的挑战(图1)

图1:泰克公司Jonathan Tucker。

为了确保下一代电力电子系统中WBG器件的可靠和稳健运行,必须对当前的验证和测试实践进行严格的重新评估。这不仅需要对现有方法进行调整,还可能需要开发全新的方法。

在接受笔者采访时,泰克公司电源市场部门负责人Jonathan Tucker(图1)讨论了更适合WBG功率器件的测试方法,以及这些方法如何帮助提高器件的性能。

电源趋势

电源效率需求的加速可归因于数字化和电气化在提高生产力和环境责任方面的相关性。得益于推动减少碳排放的地区授权和法规,与化石燃料相比,通过替代能源获取能源和数据正变得越来越普遍。

公共和私人机构正在对供应链和新型半导体技术进行投资,以提高功率模块、功率晶体管、电源管理集成电路和电源转换/逆变系统的效率。同样,缩小电源转换设备的尺寸和重量并提高其效率也至关重要。

随着WBG器件的出现,工程师需要重新评估其验证和测试方法。在设计和制造过程中,电源转换设备和系统的测试程序与前几代产品类似。然而,由于使用了WBG材料,测试过程必须更加严格。

Tucker认为,更高的功率密度和更高的功率等级可能是推动电源应用的最重要关键因素。SiC器件通常具有垂直结构,从而实现了更强的电压和电流能力。

“与我交谈过的业内人士都认为,将GaN器件的架构从横向和平面类型改为垂直类型,可以实现更高的电压水平,并最终实现更高的功率密度。”Tucker表示。

他补充说,SiC主要是在功率密度方面,而GaN可以在更高的开关频率下工作,从而降低功率损耗,减小变压器和电感器的尺寸。

“确保这些WBG器件的长期可靠性是一项艰巨的任务。”Tucker指出,“测试和测量公司在确保正确运行这些测试并获得所需的可靠性方面发挥着重要作用。”

目前,GaN和SiC是实现快速充电、减少传导损耗和提高开关速度的首选WBG半导体。GaN技术在提高功率密度的同时减小了尺寸,并加快了手机、手动工具和便携式医疗监护仪的电池充电速度。它还越来越多地用于电源供应器、射频功率放大器以及电动汽车信息娱乐和驾驶舱应用。相反,SiC技术由于适合在苛刻的环境中处理更大的功率和提高效率,在电力传输、大型暖通空调(HVAC)系统和工业设备等更大功率的应用中表现出色。

然而,目前的研究正在探索新的WBG材料,例如氮化铝(AlN)、氧化镓(Ga2O3)和金刚石。这些新型材料有能力提升功率性能。

“随着我们采用金刚石、氮化铝和氧化镓等超宽禁带技术,测试仪器将需要更大的带宽和能够支持这种带宽的探头。”Tucker指出。

WBG器件表征

全面了解SiC和GaN的电气特性,对于在开发电源应用中建立令人信服的使用理由至关重要。为此,需要对电流和电压(I-V)之间的关系进行表征。

I-V特性分析是理解Si、SiC和GaN的电流电压关系及其基本特性的关键技术。

泰克公司的吉时利(Keithley)产品组合提供了一系列先进的仪器,包括2400系列图形源测量单元(SMU,见2)、4200A-SCS参数分析仪和2600-PCT大功率I-V曲线跟踪系统。通过图形用户界面或Keithley KickStart或ACS-Basic等应用软件,可以轻松访问表征WBG器件的几项基本测量,例如电流与电压测试、击穿电压测试和漏电流测试。

“随着电子器件和PCB变得越来越小,建立良好的探针连接变得越来越困难,尤其是在高额定电压和大额定电流的情况下。”Tucker指出,“人们之所以来找我们,是因为我们的半导体测试系统可用于晶圆厂、半导体工厂的前端和后端。”

应对宽禁带器件测试的挑战(图2)

图2:Keithley 2400系列图形触摸屏SMU。(来源:泰克公司)

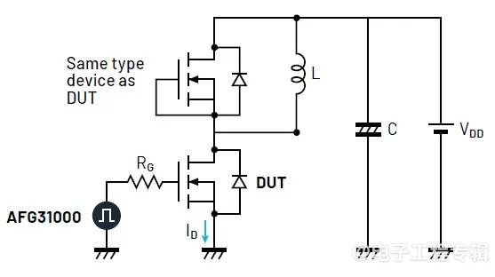
双脉冲测试

双脉冲测试(DPT)是量化开关参数和评估Si、SiC和GaN MOSFET和IGBT动态特性的既定程序。DPT用于量化器件激活和失活期间的能量耗散,以及确定反向恢复特性。

3所示,DPT利用两个WBG器件进行。第一个器件称为被测器件(DUT),而第二个器件通常与该DUT为同一类型。注意连接到上侧器件上的电感负载。使用电感器是为了模拟转换器设计中可能存在的电路情况。

应对宽禁带器件测试的挑战(图3)

图3:DPT电路原理图。(来源:泰克公司)

所用设备包括一个电源或SMU(用于提供电压)、一个任意函数发生器(用于产生脉冲以激活MOSFET栅极,从而启动电流传导),以及一个示波器(用于测量产生的波形)。

“双脉冲测试提供了许多有关器件性能的信息,包括上升时间、下降时间、能量导通和能量关断。”Tucker指出,“然而,我们听到越来越多的声音是,人们希望在更上游的晶圆上直接筛选他们的器件。”

“Keithley的产品可以直接在晶圆上使用探测系统进行大量的质量控制过程监控,例如IV特性分析,但当你开始进行RDS(ON)、上升时间和下降时间等其他测试时,就变得更具挑战性了。”他补充道。

WBG器件的验证

在电源应用中,检查功率损耗和提高电源效率的能力已变得至关重要。泰克利用5和6系列B MSO示波器(4)和自动功率分析软件简化了开关损耗测量过程。

由于高频下的快速开关以及存在较大的共模电压(如VDS),测量浮动差分量(如上侧VGS)具有挑战性,甚至是不可能的。这是因为示波器探头在高带宽下缺乏必要的共模信号抑制能力。

共模抑制不足会导致测量结果被共模误差所淹没,而无法准确捕获差分信号。为了解决这些问题,可以使用泰克IsoVu隔离探头。在与GaN和SiC器件一起使用时,无论共模电压如何,它们都能保持性能,从而实现精确的差分测量。使用IsoVu探头,可以准确测量和验证传导损耗、死区损耗和开关损耗。

应对宽禁带器件测试的挑战(图4)

图4:泰克5系列B MSO示波器和IsoVu探头。(来源:泰克公司)

“如果你看一下泰克的产品组合,就会发现我们有各种各样的示波器和探测技术。”Tucker表示,“软件也非常重要。我们有一个团队开发基于应用的软件,可以直接安装在示波器上。”

“除了传统的WBG器件特性之外,验证WBG器件和功率模块的可靠性还需要高电压和更大功率的能力。”他补充道,“泰克公司最近收购的德国高效电源专业公司EA Elektro-Automatik,扩大了其大功率测试和测量解决方案。泰克、吉时利和EA产品组合的优势使工程师能够放心地进行测量,并更快地将产品推向市场。”

在一个管理有限能源至关重要的世界里,SiC和GaN等WBG半导体技术正在推动清洁、可再生能源的发展。然而,工程师们也面临着新的挑战。更新的测试工具和技术对于测量关键值和确保这些重要器件的功能至关重要。

(原文刊登于EE Times美国版,参考链接:Addressing the Challenges of WBG Device Testing,由Franklin Zhao编译。)

本文为《电子工程专辑》2024年12月刊杂志文章,版权所有,禁止转载。免费杂志订阅申请点击这里。

责编:Franklin